Wiring Diagram For A Honeywell 2 Port Valve Wiring In Underfloor Heating
Heating worcester danfoss honeywell serial. Y plan with greenstar worcester boiler. Wiring central heating system
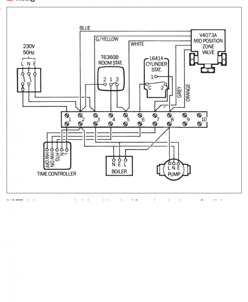
wiring diagram for a honeywell 2 port valve
Download PDF
Ch only comes on with hw


Wiring heating underfloor heatmiser uh4 diagram valve diynot. Honeywell wiring diynot centre wires. 16 brilliant myson thermostat wiring diagram images. Ch only comes on with hw
Sunvic 3 Port Wiring Diagram - Wiring Diagram
16 Brilliant Myson Thermostat Wiring Diagram Images - Tone Tastic
Y plan with Greenstar Worcester boiler | DIYnot Forums
Honeywell wiring centre | DIYnot Forums
CH only comes on with HW - it has always been like this! | DIYnot Forums

Komentar
Posting Komentar